Skip to Content

Memorias

Las memorias son dispositivos de almacenamiento que permiten guardar y recuperar datos. Existen diferentes tipos de memorias, cada una con sus características y usos específicos. Todos los sistemas de computación la necesitan para funcionar.

Sus funciones principales son:

  • Procesar datos (mediante procesadores).
  • Almacenar datos (retención de datos).
  • Comunicar datos (transferencia de datos entre procesadores y memorias).

Bus

El procesador y la memoria se comunican a través de un bus, que es un conjunto de cables que transportan datos, direcciones y señales de control.

La estructura del bus es en tres conjuntos de líneas:

  • Señales del control (para saber si se está leyendo o escribiendo).
  • Direcciones (dónde)
  • Datos (qué)

Clasificación de semiconductores

Un sistema de memoria con semiconductores es aquel que mantiene la información manipulando cargas eléctricas.

Podemos clasicar las memorias según su capacidad de lectura y escritura:

Read-Write Memory

Las memorias de lectura y escritura son volátiles, lo que significa que pierden su contenido cuando se apaga la energía.

Estas pueden diferenciarse según su tipo de acceso: aleatorio o no aleatorio. La primera permite acceder a cualquier ubicación de memoria en un tiempo constante y la segunda requiere recorrer una secuencia para acceder a una ubicación específica.

Tanto SRAM como DRAM son ejemplos de memoria volátil. La SRAM es más rápida y costosa, mientras que la DRAM es más lenta y económica. La SRAM se utiliza en cachés de procesadores, mientras que la DRAM se utiliza en la memoria principal del sistema (RAM).

Los shift registers o cache son memorias no volátiles.

Non-Volatile Read-Write Memory

Un ejemplo de memoria no volátil es la memoria flash, que se utiliza en dispositivos como pendrives y tarjetas de memoria. Esta memoria retiene los datos incluso cuando no hay energía eléctrica.

Read-Only Memory

Estas pueden diferenciarse entre ROMs y PROMs, la primera es una memoria de solo lectura que no se puede modificar, mientras que la segunda es una memoria programable que se puede escribir una sola vez.

Organización de la memoria RAM

La memoria se compone por palabras (words) que son conjuntos de bits y la unidad de acceso a un sistema de memoria. Cada una de estas palabras tiene una dirección única que permite acceder a ella.

Cada bit se guarda en una celda de memoria. Una word está compuesta por nn celdas de memoria, a través de la dirección de la celda se accede a la palabra.

La capacidad de almacenar palabras es igual a la capacidad de direccionamiento de 2n2^n bits.

Ejemplo: 1Kword x 8bits


Dirección de memoria

BinarioDecimal
0000000000000000000000
0000000001000000000111
0000000010000000001022
\ldots\ldots
1111111111111111111110231023

Word de 44 bits

C1C_1C2C_2C3C_3C4C_4
00000000
00000011
00111100
\ldots\ldots\ldots\ldots
00001111

Si elegimos la señal de selección 00000000100000000010 tenemos la palabra 01100110.

Al tener 2n=k2^n = k direcciones posibles, podemos usar un decodificador para seleccionar más eficientemente la dirección de memoria. Reduciendo así a log2k\log _2 k líneas de selección.

La siguiente tabla muestra la capacidad de direccionamiento y de words posibles:


Direccionamiento 2n2^nCapacidad de wordsSímbolo [Prefijo]
2102^{10}10241024 words1Kw [Kilo]
2202^{20}10241024 Kw1Mw [Mega]
2302^{30}10241024 Mw1Gw [Giga]
2402^{40}10241024 Gw1Tw [Tera]
2502^{50}10241024 Tw1Pw [Peta]
2602^{60}10241024 Pw1Xw [Exa]
\ldots\ldots\ldots

Direccionamiento de memoria

El direccionamiento de memoria es el proceso de acceder a una ubicación específica en la memoria.

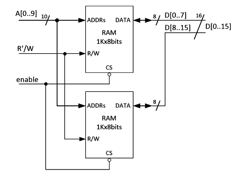
Conexión en paralelo

La conexión en paralelo permite aumentar el ancho de la palabra.
Si necesitamos un chip de 1Kword x 16bits podemos usar dos chips de 1Kword x 8bits y conectarlos en paralelo.


conexionparalela

Analizando por partes el diagrama:

  • A[0..9]A[0..9] son la cantidad de bits de la dirección de memoria.
  • ADDRsADDRs son las líneas de dirección de memoria. Se pasa el mismo valor a ambos chips.
  • R/WR'/W es la señal de lectura/escritura. Si es 00 se lee y si es 11 se escribe.
  • D[0..7],  D[8..15]D[0..7], \; D[8..15] son los datos/words utilizados. Conformando un bus de 1616 bits.
  • CSCS o chip select es la señal de selección del chip (en este caso, activo por bajo)

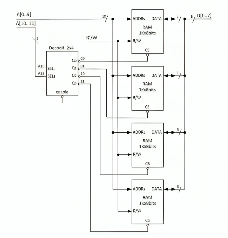
Conexión en serie

La conexión en serie permite aumentar la capacidad de almacenamiento de words.
Si necesitamos un chip de 4Kword x 8bits podemos usar cuatro chips de 1Kword x 8bits y juntarlos en el bus de datos.


conexionserie

Al tener un total de 4Kwords (40964096 words), necesitamos 2122^{12} direcciones. Podemos utilizar los primeros dos bits más significativos para seleccionar el chip y los otros diez bits para seleccionar la palabra dentro del chip.

  • A[0..9]A[0..9] son la cantidad de bits de la dirección de memoria.
  • A[10..11]A[10..11] son los bits de selección del chip.

Máxima capacidad de direccionamiento

El máximo espacio direccionable por el procesador es la capacidad de direccionamiento por ancho de word:
nn words ×\times mm bits