Skip to Content

Lógica Secuencial Sincrónica

A diferencia de los circuitos combinacionales, los circuitos secuenciales nos permiten la memorización de estados.

Se utiliza un circuito combinacional con entradas y salidas, pero con la capacidad de detectar el estado actual y calcular el estado siguiente (a través de elementos de memoria)


circuitosecuencial

Un elemento de memoria encargado de almacenar el estado del sistema es el flip-flop. Este se actualiza al llegar a un pulso de reloj:


circuitosecuencial

Latchs SR

Un Latch SR es un circuito secuencial que almacena un bit. Es compuesto por dos compuertas NOR acopladas en cruz, con entradas S,RS, R (set, reset respectivamente).


latchsr

S,RS, R no deben ser iguales 11 al mismo tiempo, el latch detecta el nivel de las señales y dicho caso es un estado inválido.

Siguiendo la tabla:
Si Q=1,  Q=0    Q = 1, \; Q' = 0 \implies tiene estado establecido.
Si Q=0,  Q=1    Q=0, \; Q'=1 \implies tiene estado reestablecido.

Es posible hacer un Latch S’R’ (activo por bajo) mediante compuertas NAND.

Latch D

Una forma de garantizar que Q,QQ,Q' no sean iguales a 11 a la vez, es mediante el siguiente Latch:


latchd

Donde D,CD, C corresponden a data, clock, respectivamente.

Flip-Flops

El Flip-Flop es un circuito secuencial que puede capturar el valor de la entrada en un momento específico (en el flanco de subida o bajada del reloj).

Una de sus implementaciones en con el Flip-Flop D, compuesto dos Latchs D (amo - esclavo) capturando el valor del reloj (CLKCLK)


flipflop

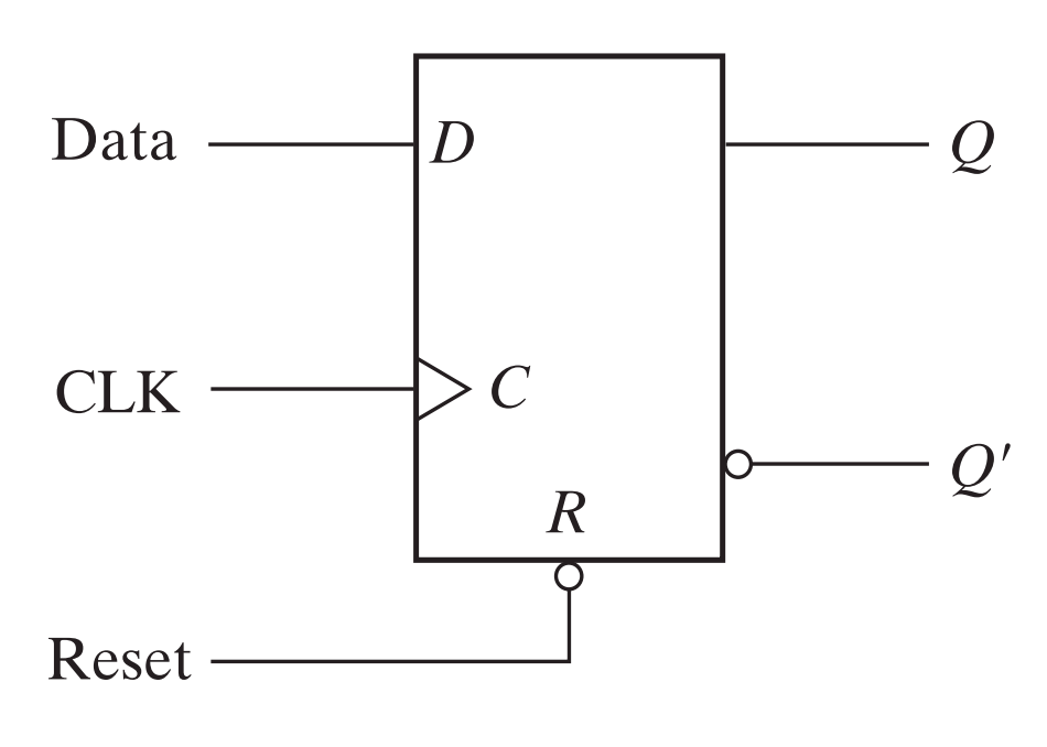
La única cosa faltante en este flip-flop es el reseteo. Lo cual puede está implementado en un Flip-Flop con reset asíncrono.


flipflopreset

Con la tabla de verdad:

RRCCDD
00XXXX
11\uparrow00
11\uparrow11
QQQQ'
0011
0011
1100

Registros

Consisten en un grupo de flip-flops y pueden contener, además, compuertas lógicas (para transicionar la información entre los flip-flops)
Un registro de nn bits consiste en un grupo de nn flip-flops que almacenan nn bits.

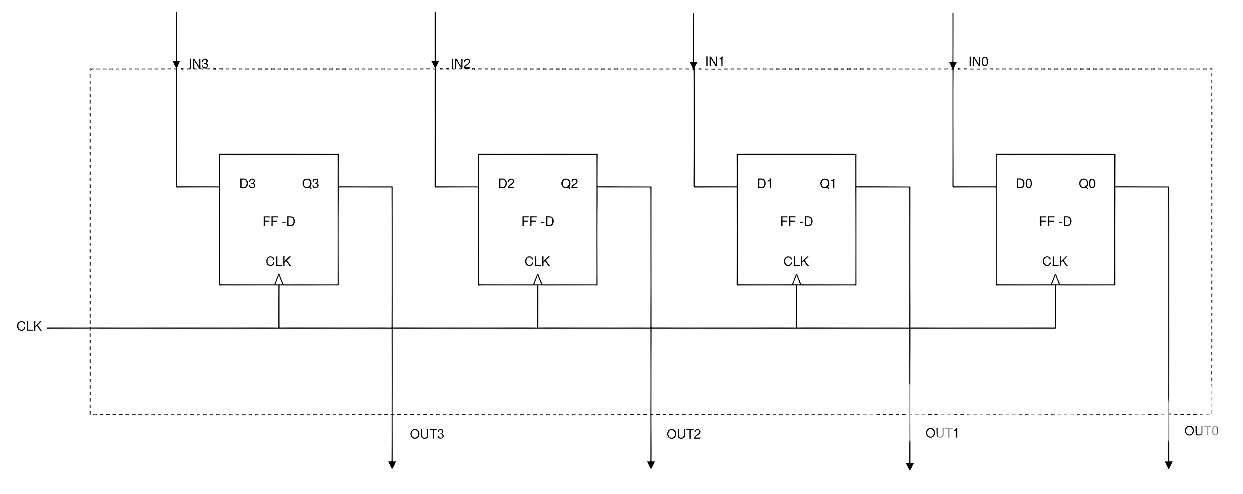
Ejemplo 1: Registro de entrada y salida en paralelo de 44 bits.


shiftregister1

Ejemplo 2: Registro de entrada y salida en serie de 44 bits (unidireccional).


shiftregister2

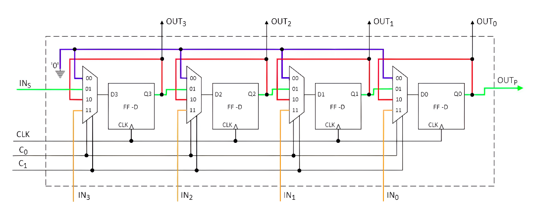
Ejemplo 3: Registro de 44 bits con entradas y salidas de datos en serie y paralelo, con dos señales de control C1,C2C_1, C_2 tales que:

  • C1C0=00    C_1C_0 = 00 \implies todas las salidas del registro son 00 (reset)
  • C1C0=01    C_1C_0 = 01 \implies el registro se desplaza un bit a la derecha
  • C1C0=10    C_1C_0 = 10 \implies el registro mantiene la información
  • C1C0=11    C_1C_0 = 11 \implies el registro carga información por su entrada en paralelo

shiftregister3